资讯
投诉
排行榜
新车
导购
评测
新车调查
车型对比
答疑
口碑
图片
视频
经销商
找车
论坛
我的
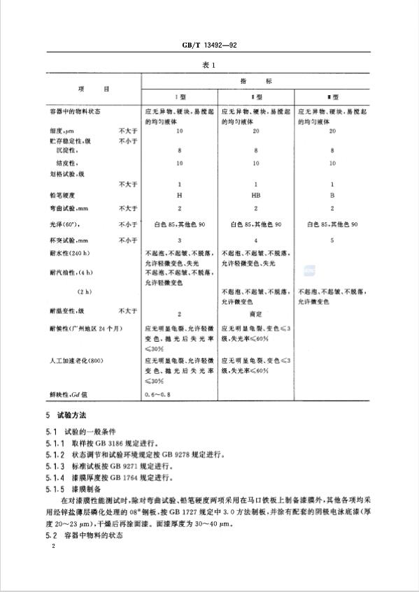
中文标准名称:
各色汽车用面漆
英文标准名称:
Finishes for automobiles
标准号:
GB/T 13492-1992
标准状态:
现行
中国标准分类号(CCS):
G51
国际标准分类号(ICS):
81.040
发布日期:
1992-06-09
实施日期:
1993-06-01
主管部门:
中国石油和化学工业联合会
归口单位:
全国涂料和颜料标准化技术委员会
发布单位:
国家技术监督局
备注:
1993-06-01实施
违法和不良信息举报:
010-65993545-8019 jubao@12365auto.com
车质网版权所有 京ICP备15019238号